为什么有些种类的塑料袋轻轻一碰声音就很大?
不妨先考察一下揉塑料袋时的噪声情况[1]:

上图是一秒钟之内揉一团塑料袋时候的噪声情况,可以看到该噪声有如下几个特性:
- 离散/不连续:噪声是点状的。
- 点状噪声之间的强度差别很大。考虑到能量与声音强度的平方成正比,点状噪声之间的能量差异可能在百万倍数量级。
然后我们考虑揉塑料袋时候发生了什么。
弹性模型:

把塑料袋简化成上图的模型,并考虑最简单的情况。上图中的点表示质量点,点与点之间仅考虑弹性关系。a表示没有收到揉压时塑料袋平面的情况,b表示受到一处揉压快要形成一条褶皱的情况。b中下半部分的材料,其垂直方向受到较大的弹力,如果继续加力揉压,超过材料的弹性限度,其内部的弹力不足以抵抗外部的力量,材料便会断裂或者形变(对于塑料袋,由于有较好的延展性,则是产生折痕)。在折痕产生的同一时间,由于材料内部已经积蓄了一定的弹性势能,折痕产生之后,材料内部的弹性势能以热和声音的形式释放出来,便有我们听到的噪声[2]。
基于这种最简单的模型,如果我们持续的对塑料袋加力(揉),折痕会不断的(离散的)出现,弹性势能对应的释放。大的折痕对应大的噪声,小的折痕对应小的噪声。于是,可以理解的,在揉塑料袋的过程中,我们不可能控制声音的大小,但是可以控制噪声产生的频度。
以上便是这个问题的最简单模型,能解释类似于下图这种折痕产生时噪声的情况[3]:

但是由于材料的不同和加力情况的不同,该种简单模型并不是通用的。
更为常见的,是下图中的情况[4]:

折痕的产生并不是规律的,它们的形状通常不是一条线,而且相互交叉,形成类似山脊( ridge)的几何平面形状。这种复杂情况就不好使用模型来模拟了,我们实际的来揉一团纸/塑料膜[4]:

并分析其中脊的数量和长度情况:

可以看到:
- 较长的脊数量较少,较短的脊数量明显增对,但是极短的脊数量也较少
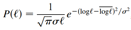
- 脊的长度分布大概符合对数正态分布
分布模型:

如果把长度跟脊产生时噪声能量简单相关,可以得出:较大的声音数量较少,明显更多地是相对小一点的声音。这跟弹性模型的结果是一致的。
由于实际情况的复杂,人们考虑褶皱的形成时,为了模拟,通常仅仅考虑最简单的褶皱模型,比如
锥形脱位(Conical dislocations)[5] :

即把一个圆形的薄膜捏起一段,让它在薄膜中的某处为中心形成一个锥心,在这个中心,材料发生脱位(不可恢复形变)。我们在揉塑料袋时候也会遇到这种形变:

其中心的曲率半径R_c 与材料的抗弯刚度(bending stiffness, E_b)和拉伸刚度(stretching stiffness, E_s)有关:

而对于各向同性材料

其中h是材料的厚度,ν是材料的泊松比(Poisson's ratio)。因此,塑料袋越厚,R_c越大,释放的能量也就越大,噪声越强。
另外还有很多种折痕情况,此处不一一赘述。
--------
[1] Kramer, Eric M., and Alexander E. Lobkovsky. "Universal power law in the noise from a crumpled elastic sheet." Physical Review E 53.2 (1996): 1465.
[2] Marder M, Deegan R D, Sharon E. Crumpling, buckling, and cracking: elasticity of thin sheets[J]. Physics today, 2007, 60(2): 33.
[3] A.A. Volinsky, N.R. Moody, D.C. Meyer, “Stress-induced periodic fracture patterns in thin films”, 11th International Congress on Fracture Proceedings (Turin, Italy, 2005)
[4] Blair, Daniel L., and Arshad Kudrolli. "Geometry of crumpled paper." Physical review letters 94.16 (2005): 166107.
[5] Cerda, Enrique, et al. "Conical dislocations in crumpling." Nature 401.6748 (1999): 46-49.

